定时器的地址是16位的,地址范围为T0—T255,计时的时间范围为1—9990S。如果内部的256个定时不能达到系统设计的要求的话,可以通过自行设计来代替定时器,方法1利用OB35,方法2利用CPU内部时钟脉冲。
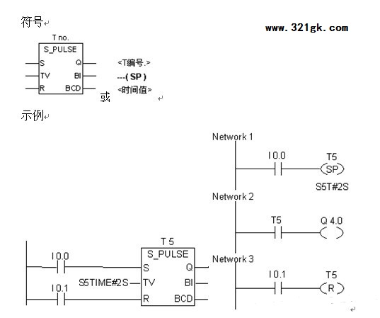
1. 脉冲定时器
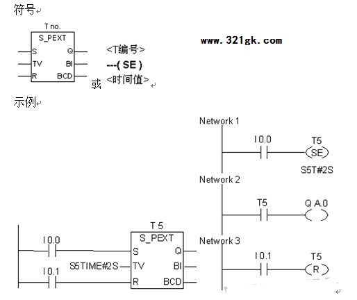
2. 扩展脉冲定时器
3. 接通延时定时器
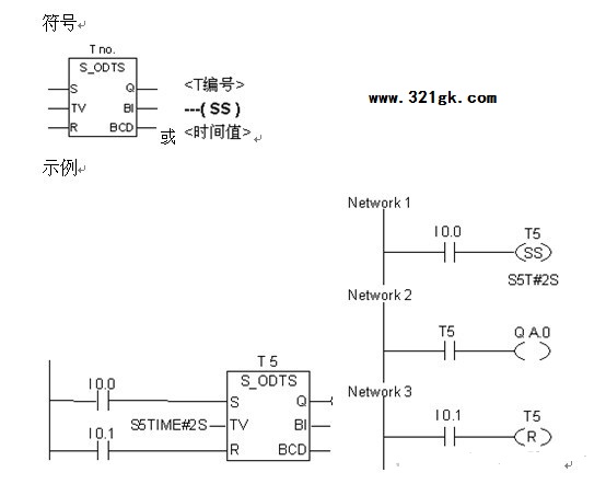
4. 保持型接通延时定时器
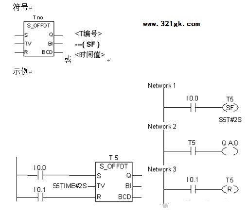
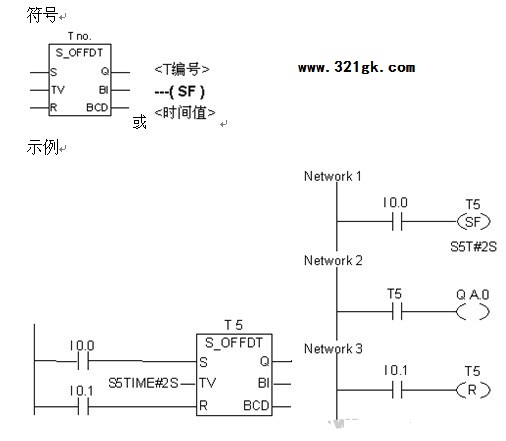
5. 断电延时定时器
6. 定时器之间的区别
所有的定时器,使能端只要有上升沿或者下降沿触发,都会重新计时。无保持型定时器使能端一直为1才能保持定时,保持型定时器在失去使能端信号后仍然继续定时,直到结束。
为了方便描述给这几种定时器进行一个编号:
①脉冲定时器,
②扩展脉冲定时器,
③接通延时定时器,
④保持型接通延时定时器,
⑤断电延时定时器。
![]() ![]() ![]() ![]() ![]() ![]()
区别1:①②③④是上升沿触发开始计时;⑤是下降沿触发开始计时。
区别2:①②⑤是计时的时候输出,计时到达停止输出;③④是计时的时候没有输出,计时到达时开始输出。
区别3:①③使能端必须一直接通才能够计时;②④使能端有一个扫描周期的信号就能计时;⑤使能端必须断开才能计时。
区别4:①②③⑤计时完成后,断开使能端信号就能解除定时器工作状态;④必须通过复位端才能解除定时器工作状态。
(责任编辑:admin) |






